设为首页
|
加入收藏
您好!欢迎来到标准件之都
会员登录
|
免费注册
|
忘记密码?
文库下载
|
网站地图
供应
求购
标准件库
资讯
热门关键字:螺母、紧固件、标准件、螺丝、
首页
供应
求购
资讯
企业名录
标准查询
招标采购
企业黄页
知识频道
服务企业
/
阿里企业
/
物流中心
当前位置:
首页
>>
标准查询
>> 标准详细
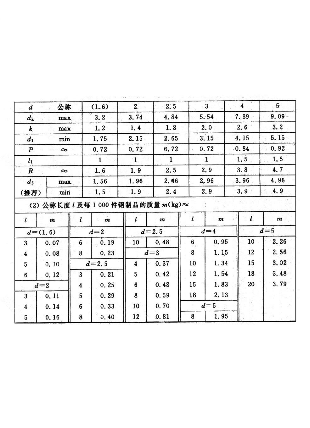
[国标GB] 标牌铆钉
说明:
UDC 621.884 | GB 827-86 | 代替 GB827-76 Rivets for name plate
相关求购
更多
相关供应
更多
【已审核】
厂家供应轴承专用特
【已审核】
供应五金销专用特效防
【已审核】
供应螺钉专用镀镍防锈
【已审核】
供应螺钉专用镀镍防锈
【已审核】
厦门行车厂家供应厦门行
【已审核】
厦门电动葫芦厂家供应厦
【已审核】
厦门龙门吊厂家供应厦门
【已审核】
厦门升降平台厂家供应厦
【已审核】
厦门登车桥厂家供应厦门
【已审核】
强力锤击壁虎
【已审核】
内爆
推荐企业
更多
邯郸市永军紧固件制造有限公司
邯郸市宗波紧固件有限公司
邯郸市青松紧固件制造有限公司
邯郸市永军紧固件制造有限公司
永年县固耐尔紧固件
永年县城北如意紧固件
邯郸市福盾电力器材制造有限公司
最新资讯
5月22日行业要闻
【行业资讯】
5月14日行业要闻
【行业资讯】
5月13日财经及行业要闻
【国内展会】
中国重庆市国际立嘉机械展
【行业资讯】
国际统计局发布最新数据!
【国内展会】
德国汉诺威国际工业展览会
【国内展会】
中国重庆市国际五金机电展
【行业资讯】
3月21日财经及行业要闻
【行业资讯】
湖北全省复工复产有序推进
【行业资讯】
复工复产“下半场”如何推
【行业资讯】
钢价探涨!市场预期分化!
【行业资讯】
注意!螺纹钢利好已经透支
上一篇:
平头铆钉
下一篇:
半圆头铆钉(粗制)
相关标准:
▪
扁圆头击芯铆钉
▪
开口型扁圆头抽芯铆钉
▪
开口型沉头抽芯铆钉
▪
封闭型沉头抽芯铆钉
▪
封闭型扁圆头抽芯铆钉
▪
无头铆钉
▪
沉头半空心铆钉
新手必读
网站地图
免责声明
关于我们
商务合作
投诉建议
会员天地
客服中心
Copyright © 2013~2015 By www.wude.com.cn Allrights Reserved.
E-mail:bzjxx@bzjzd.com
技术支持: 河北五德信息科技有限公司
备案许可证:
冀ICP备12007226号