热门关键字:螺母、紧固件、标准件、螺丝、
当前位置:首页 >> 标准查询 >> 标准详细

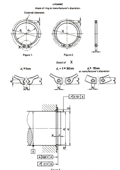
[德标DIN]     轴用挡圈—标准型和重型

说明:

DIN 471 Circlips (retaining rings)for shafts - Normal type and heavy type

相关求购

更多

上一篇: 弯头楔键和键槽型式及尺寸

下一篇: 孔用挡圈—标准型和重型


相关标准: